Milad Khani M.Sc.

Kontakt

DE4LoRa is a research project investigating a new, universal traction concept. The goal is to combine ecological and economical attractivity with maximum user acceptance. The DE4LoRa concept can be categorized between long-range battery electric vehicles (BEV) and Plug-in hybrid vehicles (PHEV). The concept consists of a CNG powered internal combustion engine, two identical electric motors, all coupled together through a gearbox. The idea is to combine all drive concepts to optimize and prodive the best driving experience. Part of this concept is a new onboard charger design.

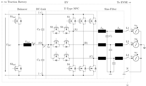
Most onboard chargers (OBC) employ a galvanic isolation and a two-stage design. In order to meet rising power demands, power densities of OBCs are required to rise as well. Simply increasing the switching frequency may not be a sufficient solution. Higher switching frequencies coupled with new topologies will be key to solving this problem. The goal of this research project is to develop a three-phase, non-isolated OBC, consisting of only one stage, allowing for higher power densities.

Non-isolated designs are more susceptible to common-mode problems. All-current sensitive type B residual current devices (RCDs) are mandated to be installed in all electric vehicle supply equipment (EVSE). Unfortunately, the generation of common-mode voltages and subsequent common-mode currents through unwanted parasitic capacitances in the system may lead to interferences with the RCDs. This work investigates this problem and implements a modulation scheme for the power electronics to minimize any occurring common-mode issues, well below the tripping limits of the usual commercially available RCDs.

The OBC is designed to operate with 800 V traction battery packs. Typical battery voltages range from 600 V to 850 V, depending on the state of charge (SOC). Due to the non-isolated nature of the presented OBC, the relationship between battery and grid voltage plays a major role. At low SOCs, in which the battery voltage stays well below 700 V, the charger will switch into a single-phase charging mode and charge the battery with reduced power. Once the battery voltage reaches a specific threshold, three-phase charging with full power takes over. It is also possible to solely operate the OBC on a single-phase grid supply with reduced power capabilities.

The proposed design also provides the ability to seamlessly transfer energy bidirectionally. This is especially interesting for vehicle to grid applications.

Proposed OBC topology
Proposed OBC topology